From the alternators in our vtx bikes. i am always advising vtx owners not to run the lights on their lightbar (spotlights, auxiliary lights) because they draw (usually) 55 watts each. the hondaline lightbar lamps draw 35 watts each. if you have led rear lights with run/turn/brake capability it would not be a major concern. Help bring your honda vtx 1800 into the new age with a sharper look with hid bulbs. customize the color of light on your honda vtx 1800 with hid bulbs ranging in color temperature from 3,000k 5,000k 6,000k 8,000k 10,000k and 12,000k. with only a few steps to finish the installation hid conversion kits are fast and easy for your honda vtx. The honda vtx 1800 is a fast bike, but it could interior vtx lights led 1800 installation use a little more horsepower. there are four basic ways to increase its performance and enhance your motorcycling experience. while adding horsepower to the vtx, you may also increase emission.
Includes all installation hardware. functions as interior vtx lights led 1800 installation turn signals but can also be run-brake-turn with module (see "customers also bought" section below). now available in red or amber with red, clear, light or dark smoked lens. **installation requires the removal of the stock license plate and turn signal assembly and relocation of the license plate. Curious about how to wire a led light? it's an exact, precise process but doable as a do-it-yourself project. this beginner's guide to led lighting provides the basics you need whether you're thinking of creating your own led marquee signs,.
Installing a daymaker hid led headlight in a 2005 honda vtx 1800. installing a daymaker hid led headlight in a 2005 honda vtx 1800. Led light strip installation: in this instructable, i will be teaching you how to install an led light strip. *sorry for some bad pictures, i have quite a bad camera! 578 5 1 in this instructable, i will be teaching you how to install an led. Upholstery installation equipment upholstery amazon wagon code 502-231 1962-63 upholstery amazon wagon code 503-232 1962-63 volvo 1800 interior light lens 61-71 $32. 75 add to cart. volvo light bulb 12v/5w $1. 10 add to cart. volvo 1800-s-e red taillight lens. Motorcycle lighting is about style as much as it is about safety. find the right motorcycle lighting products for your 2003 honda vtx1800 in our inventory.
Amazon Com Vtx 1800 Headlight
Install led lighting strips on motorcycle: with the fast development of led industry in the past few years, the sale prices of led lights are significantly reduced, and they are now widely used in kinds of areas, especially in automotive an. Integrated run turn brake led strip (fender eliminator) install. jump to latest follow drl led strip lights on cobra crash bar, glenn's permanent a/f screw, glenn's gas cap hinge, all led lights, factorypro jet kit, decapped air box, vtx tribal logo vtx cafe forum is for owners of honda vtx 1300 or vtx 1800. join this community to. Universal motorcycle led passing light for honda vtx 1800 type c r s n f t retro (fits: more than one vehicle) $26. 77. free shipping. or best offer. honda vtx 1800f black daymaker with mounting rings. $179. 99. free shipping. 05 honda vtx1800 f vtx1800f headlight head light lamp housing bucket surround (fits: honda vtx1800c3).
Eagle lights 5. 75 inch generation iii led headlight kit, with bracket & hardware replacement for honda vtx 1300 & 1800 (red) 4. 8 out of 5 stars 108 $149. 99 $ 149. 99. Discover the dramatic accent of under-cabinet lighting. under-cabinet spots or halogens provide dramatic highlight. black puck lights (hampton bay 120v) (10) on-wall switch box dimmer wire-mold kit switch box crimp connector kit 1/2" screws. Light up your ride from the inside out with the addition of custom dynamics ® interior tour pak & saddlebag led light kits! super interior vtx lights led 1800 installation bright white led light bars come pre-taped with durable 3m ™ double sided tape to mount along the inside of your saddlebags and/or tour pak. each light bar shines 18 white leds providing superior illumination with a convienent built in on/off button and 5 minute.
2003 Honda Vtx1800 Lighting Headlights Signal Fog
Shop for led daymaker kits or brackets for honda vtx interior vtx lights led 1800 installation 1300 / 1800 / 1800f, honda valkyrie and yamaha raider motorcycles. Led tail light honda vtx 1300/1800 retro 2001-2008 plug and go technology-oem replacement fitting selected make model and year. available options for selected model. int: led tail light with integrated turn signals itu: led tail light with integrated turn signals and 6x flashing brake. ok i just installed the light. install couldn't have.
You can focus light on any specific element in the room when you use track lighting, and track light installation can be done in a few steps. this type of lighting comes in styles that plug into a wall outlet as well as types that need to b. Under cabinet led lighting installation : this video is a step-by-step on under cabinet led lighting installation using a dimmable led driver and a led strip lighting. the led driver is a solid class 2, easy to install voltage light transfor.
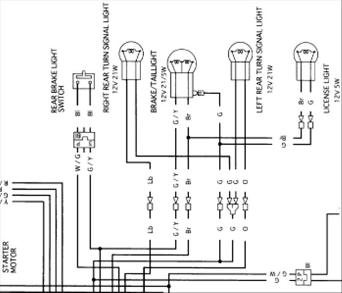
My theory of the 1800 8 wire flasher is in the diagram below. battery to the(w/bu) flasher, output of the flasher to the gray to the switch. then tie the front signals and indicators to the rear ts which are wired to the switch. now it looks like the earlier ts wiring without the running light. The diode kit cures problems inherent with the design of the dash light circuit when you install led blinkers. let me apologize now, this write up was done long after i’d added my own diode kit in an effort to help others having problems, so this article is not as thorough as many others i’ve done. new clutch install (vtx 1800) clutch. The original mod gave you red tail lights that made the bike more visible from behind using a single red led on each side. this new mod uses 24 leds for the tail lights (12 on each side). these act as both running lights and brake lights so you get additional brake lighting interior vtx lights led 1800 installation for increased safety.
Honda Vtx1800 Hid Kits Hid Kits Led Light Bulbs For
How to install a light bar on a 2005 honda vtx 1800. how to install a light bar on a 2005 honda vtx 1800. Installing led landscape lighting will not generally require a professional electrician. installing led landscape lighting will not generally require a professional electrician. with some patience and the right tools, you can install your l. Join us to get great money-saving tips, cool ideas, and valuable advice from home improvement expert don vandervort! how often? only every month or two. unsubscribe anytime! by don vandervort december 18, 2019 in older kitchens, most of the.
Interiortour Pak Saddlebag Led Light Kits

Integrated Run Turn Brake Led Strip Fender Eliminator

My x: race tech fork conversion, progressive 430's, tsukayu vtx bags, ultimate low rider w/backrest, hankook ct rear, shinko 230 front, 12o'clocklabs speedo chip, b daymaker, vtx1800r rear fender, fender luggage rack powder'd black, black curved/laydown license plate frame, cobra front/rear boards (powder'd gloss black), jtd lowers, drl strip lights on cobra crash bar, glenn's permanent a/f. Slk-customs vtx 5. 75 inch chrome round led projector daymaker headlight with bracket and hardware easy to install, plug and play motorcycle headlight compatible with honda vtx 1300, vtx 1800 4. 4 out of 5 stars 55. For the vtx 1800, this is how to install led auxiliary turn signal indicators on a shield for higher visibility and recognition. (to help to prevent inadvertently leaving the turn signals on! ).
Eagle lights 5. 75 inch led motorcycle headlight kit for honda vtx with bracket and hardware plug and play (black generation iii with halo ring) fits 2002-2008 vtx 1800, vtx 1300 4. 8 out of 5 stars 73. We’ve discovered some of the best led lights for your car interior based on performance, style, and colors. check them out! opt7 bluetooth led lights kit govee dreamcolor car interior lights mewtwo car lights interior car bibles is reader-s.
0 Response to "Interior Vtx Lights Led 1800 Installation"
Posting Komentar